Web Analytics Made Easy - Statcounter
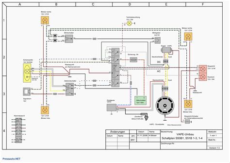
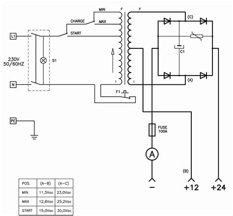
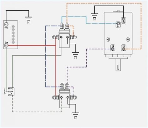
CAN Box Wiring Diagram PDF India: Simplify Your Electrical Setup

CAN Box Wiring Diagram PDF India: Simplify Your Electrical Setup

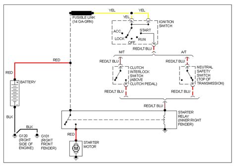
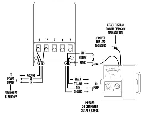
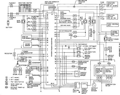
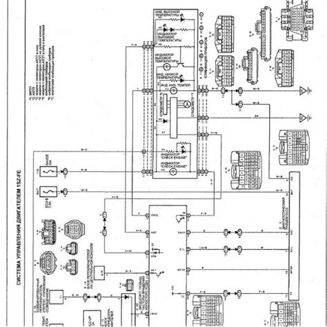
CAN Box Wiring Diagram PDF India: Simplify Your Electrical Setup Domestic electrical wiring diagram in india complete electri